This website requires JavaScript.
Attention des changements sont bientôt à prévoir sur l'instance gitea d'Aurore :
Suppression de la possibilité de cloner des dépôts privés en HTTPS ;
Réinstallation de drone ou changement d'outil de CI ;
Possiblement migration de
Gitea
à
Forgejo
.
Explore
Help
Sign In
leo
/
cours-m1-eea
Watch
1
Star
0
Fork
You've already forked cours-m1-eea
0
Code
Issues
Pull requests
Releases
Wiki
Activity
9e7be3c33a
cours-m1-eea
/
424-Systeme_Non_Lineaires
/
TP2
/
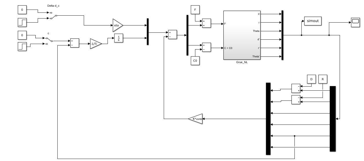
bouclageLNL.png
Pierre-antoine Comby
3fa29d5ab3
ajout TP2 424
2019-04-24 00:15:19 +02:00
34 KiB
1256x556px
Raw
History